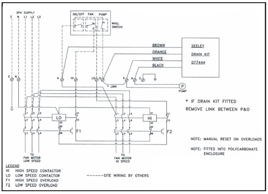
077444 Auto Drain Kit - Aira Pre-Seeley AL Cooler - Wiring information
A - Brown
N - Blue
O - Orange
P - White
Link wire between terminals "O" and "P" MUST be removed




WHEN FITTING DRAIN KIT LINK WIRE BETWEEN TERMINALS O and P MUST BE REMOVED








Modified on: Tue, 30 Nov, 2021 at 12:33 PM












Did you find it helpful? Yes No
Send feedback