Post-2020 manufactured CW-H BMS Control - Connecting BMS input / output terminals Climate Wizard
Climate Wizard post-2020 manufactured control system using PLC interface

CW-H10 and CW-H15 have different control options, one is BMS. Inputs to the BMS control provided by a third party (customers BMS system etc)
To use BMS operation ensure the PLC is set to operate the unit from BMS and connections are made to BMS terminals located on the door.
Click link to view YouTube Video : Set BMS PLC
PLC needs to be set to BMS

Connections are made to BMS terminals located on the door

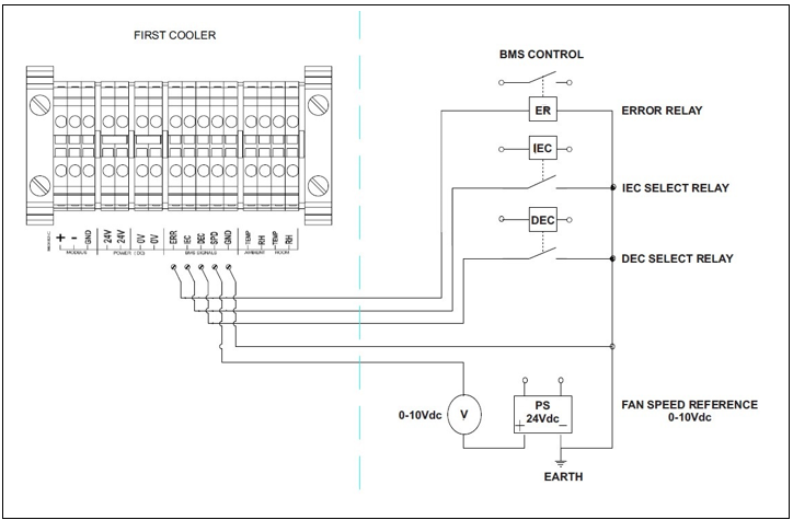
BMS input/output terminals:
- IEC INPUT: Activates Indirect Cooling Mode
- DEC INPUT: Activates Direct Cooling Mode (only available on Supercool models)
- SPD INPUT: Controls the fan speed
- GND INPUT: The ground (earth) for the BMS Terminals
- ERR OUTPUT: Provides a 24vDC output when a fault occurs
All inputs except fan speed are digital and should be dry (voltage free) contacts
SPD input Analogue 0-10Vdc
ERR output provides 24Vdc output to drive an external relay or an indicator lamp (Max 3A)
All inputs and outputs should reference to the BMS GND only
Unlike earlier model CW-H the CW-H from 2020 onwards BMS contacts are VOLTAGE FREE (dry) CONTACTS. Apart from the motor speed input (SPD INPUT) no voltages should be applied to the BMS terminals.
All inputs and outputs should be referenced to BMS GND terminal only (see example wiring scheme for BMS below)

Example wiring Scheme for BMS

Click link to view YouTube Video : Set BMS PLC