Seeley International Pty Ltd
Welcome
Login
Home
Solutions
Enter your search term here...
Search
Login
to submit a new ticket
Check ticket status
Solution home
AIRA SERVICE AND INSTALLATION
Installation / Commissioning Information
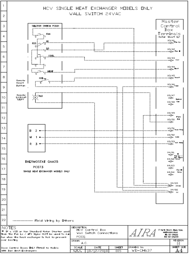
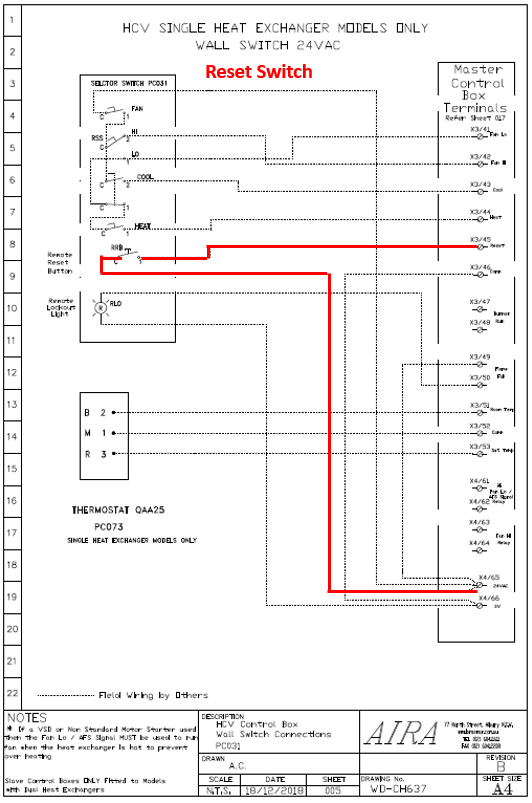
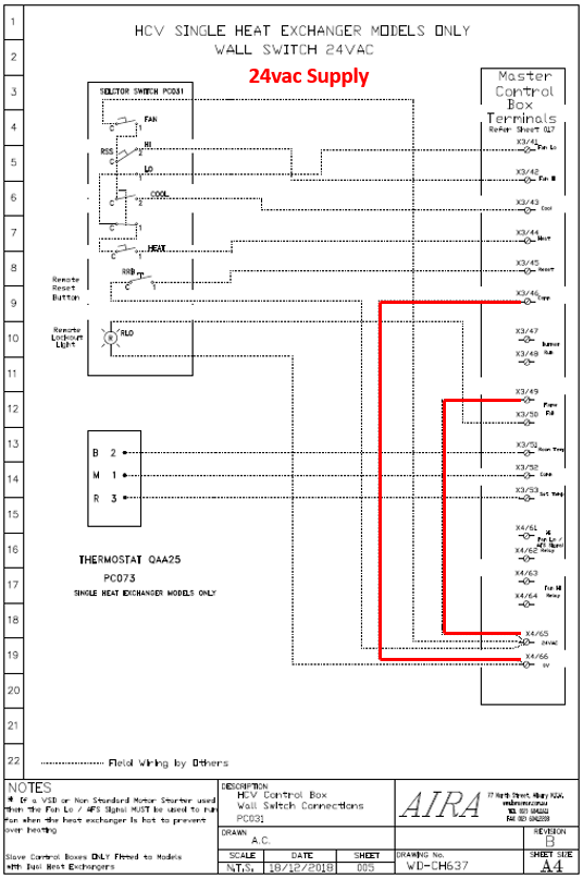
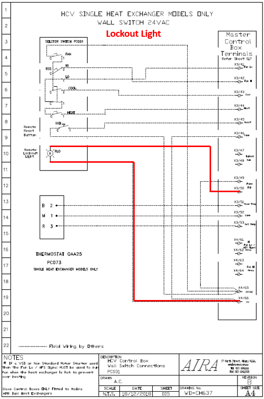
Aira - Wall Switch (in conjunction with QAA25) HCV Single HX wiring information
Print
Modified on: Wed, 19 Jan, 2022 at 8:56 AM
Aira - Wall Switch (in conjunction with QAA25) HCV Single HX wiring information
Did you find it helpful?
Yes
No
Send feedback
Sorry we couldn't be helpful. Help us improve this article with your feedback.
Related Articles
Help Desk Software
by Freshdesk