Seeley International Pty Ltd
Welcome
Login
Home
Solutions
Enter your search term here...
Search
Login
to submit a new ticket
Check ticket status
Solution home
DUCTED GAS HEATING (DGH) SERVICE AND INSTALLATION
Spare Parts
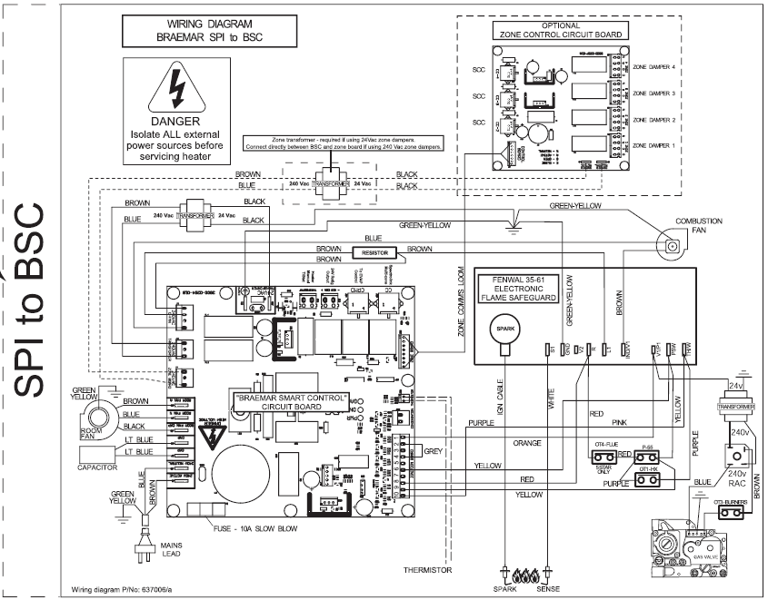
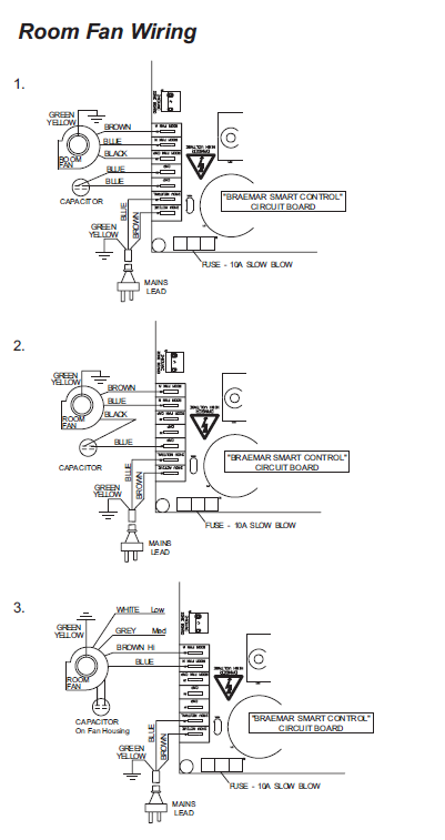
TE4 TA4 TE5 and TA5 SPI to BSC Upgrade Kit Pt# 636924 Instruction literature # 636948-1
Print
Modified on: Thu, 6 Oct, 2022 at 2:22 PM
TE4 TA4 TE5 and TA5 SPI to BSC Upgrade Kit Pt# 636924 Instruction literature # 636948-1
pdf
SPI to BSC U...
(321 KB)
pdf
636924 wirin...
(690 KB)
Did you find it helpful?
Yes
No
Send feedback
Sorry we couldn't be helpful. Help us improve this article with your feedback.
Related Articles
Help Desk Software
by Freshdesk