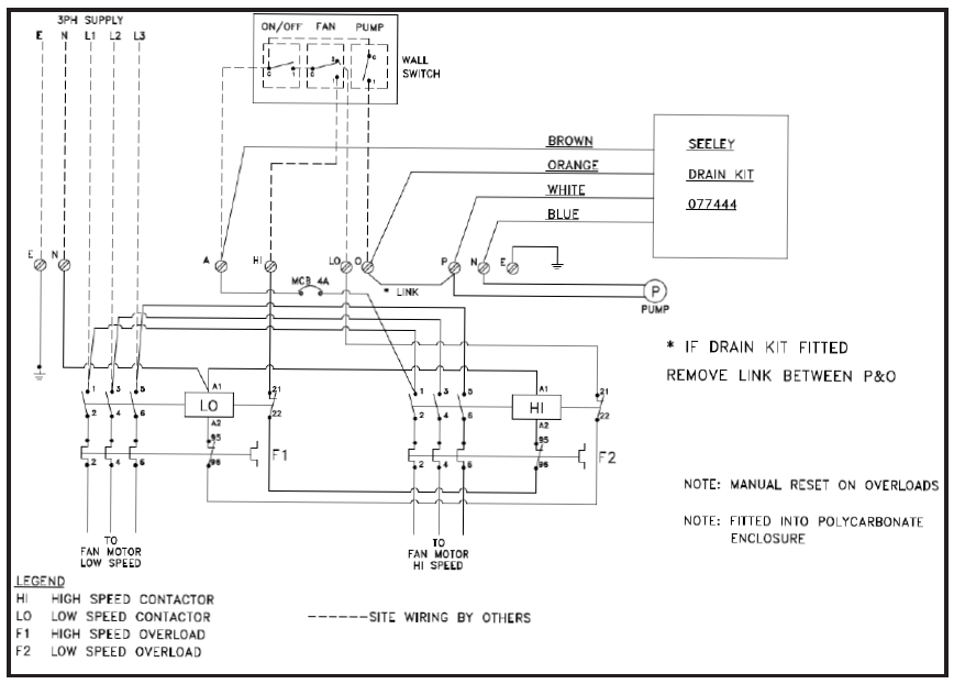
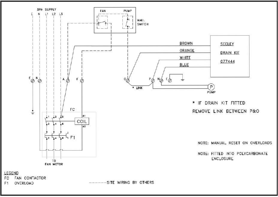
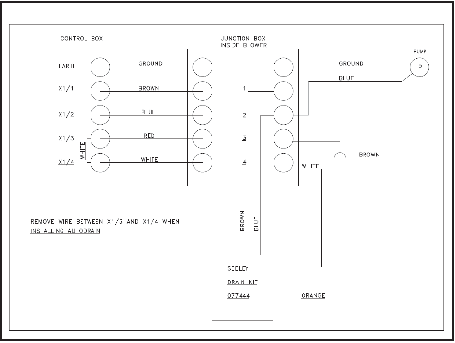
Auto Drain Kit Pt# 077444 (pre June 2023) to suit RPC RPA RPB AL Coolers Installation Instructions 638836-H
















Modified on: Tue, 4 Jul, 2023 at 1:49 PM
Auto Drain Kit Pt# 077444 (pre June 2023) to suit RPC RPA RPB AL Coolers Installation Instructions 638836-H
















Did you find it helpful? Yes No
Send feedback