Modified on: Tue, 14 Mar, 2023 at 10:41 AM
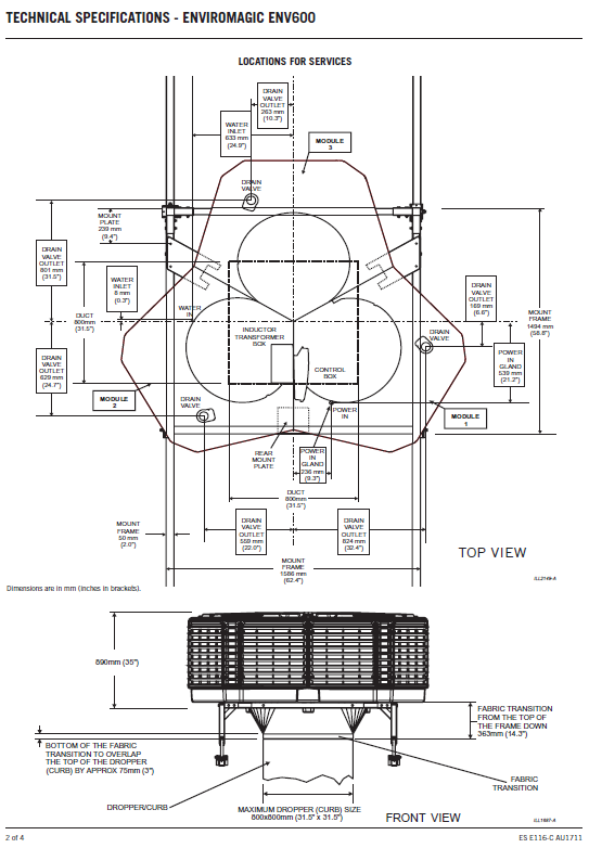
Enviromagic ENV600 Technical Specifications ES E116-C AU1711
Pdf attached,
Did you find it helpful? Yes No