Modified on: Tue, 14 Mar, 2023 at 10:47 AM
Enviromagic ENV1000 Technical Specifications ES E117-C AU1711
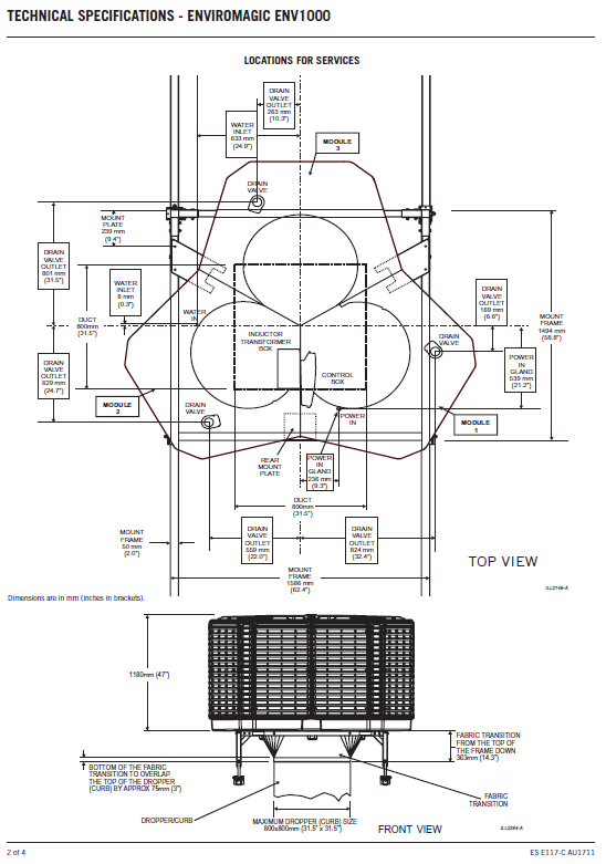
Pdf attached
Did you find it helpful? Yes No