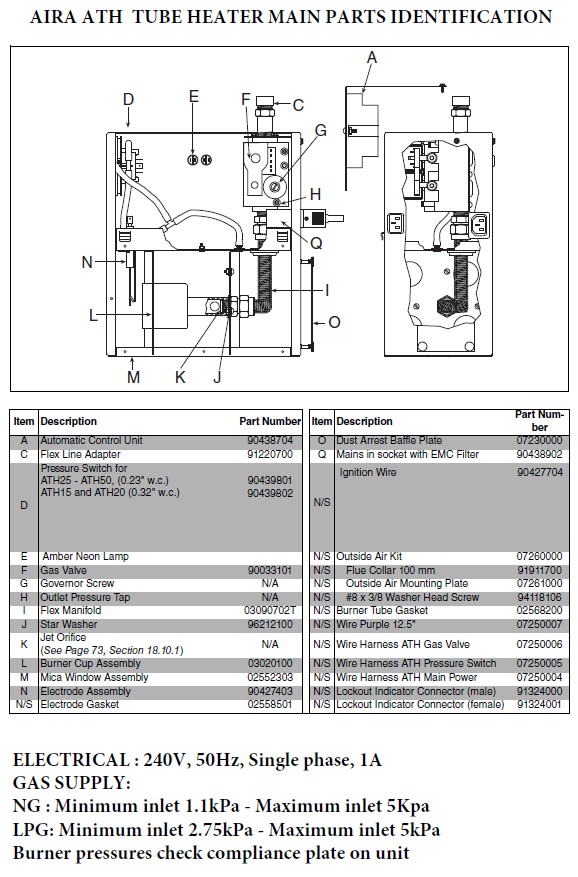
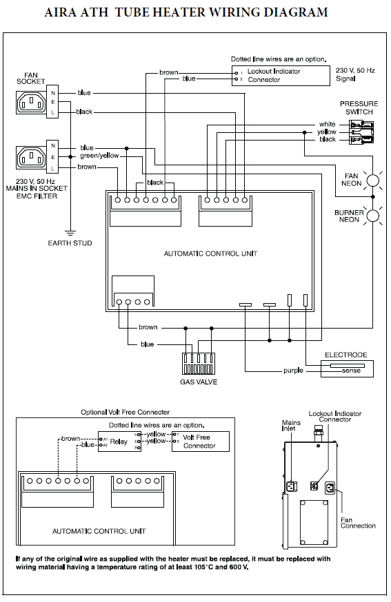
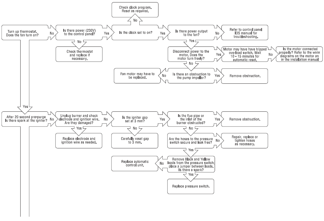
Aira ATH Tube Heater Fault Finding Diagnostic Guide (Flow charts)
Pdf attached,







Modified on: Wed, 30 Aug, 2023 at 10:29 AM
Aira ATH Tube Heater Fault Finding Diagnostic Guide (Flow charts)
Pdf attached,







Did you find it helpful? Yes No
Send feedback