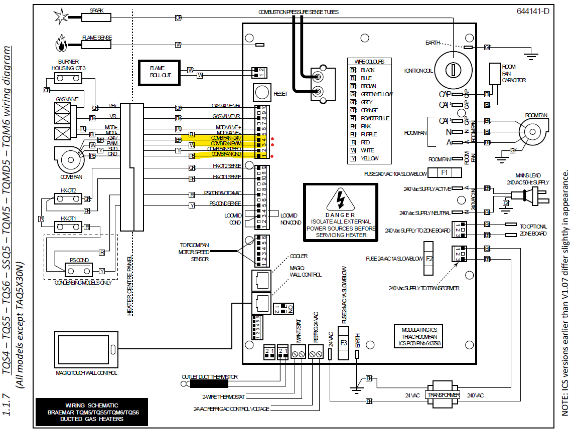
TQ 24Vdc Combustion Fan (modulating heaters) - testing operation


- Check 24VDC supply to combustion fan (pins 1 and 5 at 5-way connector) using a suitable multimeter
- Check >10VDC supply to combustion fan (pins 4 and 5 at 5-way connector) using a suitable multimeter approximately 10-20 seconds after call for heat is received by ICS.

- Check 24VDC supply at ICS (pins 1 and 4 - blue and brown wires) at 10-way connector ICS) using suitable multimeter
- Check >10VDC supply at ICS (pins 1 and 3 blue and white wires) at 10-way connector ICS) using a suitable multimeter approximately 10-20 seconds after call for heat is received by ICS
