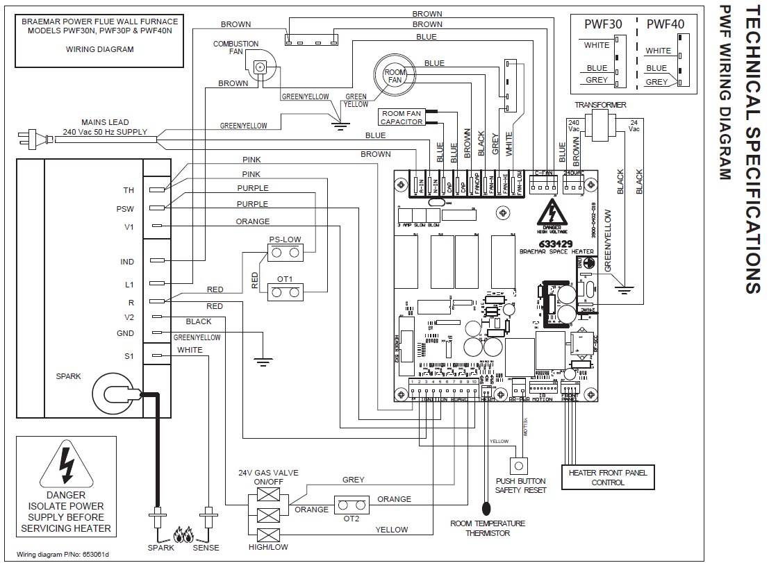
PWF30/40 Room Fan and Overtemperature Switch / Checking Components for Correct Operation









Modified on: Thu, 26 Jun, 2025 at 8:38 AM
PWF30/40 Room Fan and Overtemperature Switch / Checking Components for Correct Operation









Did you find it helpful? Yes No
Send feedback