CW-80 Exhaust Motor Replacement Part Numbers & Communication Cable Upgrade

CW-80 coolers use specific exhaust motors depending on the serial number and region. Some older models have been discontinued, and updated plug and cable kits are available if required.
Exhaust Motor CW-80 (Australia & USA)
Model: KG355-AY40-02
Part Number: 863894
Can be used for: CW-80 units up to Serial 25150001
Final runout only – check availability before ordering
Exhaust Motor CW-80 (Australia & USA)
Model: KG400-FV72-J1
Part Number: 863909
Use for: Current CW-80 units (standard capacity)
Recommended replacement for standard exhaust motor (backwards compatible)
Related Spare Parts
Exhaust Motor Communication Plug & Cable
Part Number: 118819 (not included standard with motor)
Includes new M12 plug and user-assembled socket
Note: Pt# 118819 required if a qualified technician confirms water ingress in the original plug or socket during inspection.
New spare exhaust fan motors are designed to work with older systems, so replacement is not required if damage isn't evident. Each installation should be carefully assessed individually to determine suitability.
Exhaust Motor Power Plug & Cable
Part Number: 117867 (not included with motor)
Used to connect power to the exhaust motor
Pt Number 118819 - CW-80 Exhaust Motor Communication Plug & Cable Replacement (ordered separately if water ingress has occurred to existing connections)
What’s Changed?
The connectors on CW-80 exhaust motors have been upgraded to a weatherproof M12 plug.
To help with the changeover, the kit is supplied with:
A new communication cable (with M12 plug)
A user-assembled socket to match
Before You Start
Turn off and lock out power – it’s 3-phase!
Use fall protection if working at height
Wear gloves – sharp edges
Keep cables dry – water can damage them
Don’t run the fan without the guard fitted
Step-by-Step Instructions
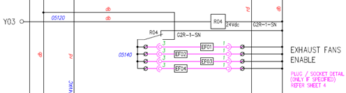
Step 1 – Remove Old Fan Enable Wiring (Only for Older CW-80 Units)
If the CW-80 cooler was built before April 2020 (serial number less than 20170001), it includes a 24V exhaust fan enable relay.
This relay is no longer needed and must be fully disconnected before installing the new motor plug and socket. Leaving it connected could cause electrical shorts.
What to do:
Use the original wiring diagram that came with the cooler.
Find the wires that control the fan enable relay. In most cases, these are labelled:
Wire 05120
Relay R04
Remove these wires completely from the PLC output.

If the cooler was built after April 2020 (serial number 20170001 or higher), it doesn’t have this relay, so you can skip this step.
Step 2: Remove the Weatherseal
Unscrew and lift off the top cover to access the motor.

Step 3 – Remove the Old Plug and Cable
Open the terminal box on the back of the motor.
Find the old communication cable connected to the motor terminals and disconnect it.
Pull the cable out through the cable gland.
Cut off any zip ties holding the cable to the motor legs.
Separate the old plug and socket, then throw away the old cable and connectors — they won’t be reused.

Step 4: Fit the New Cable
Feed the new cable into the motor.
Connect wires to motor terminals:

Brown (Plug Pin 1) – Signal
White (Plug Pin 2) – 24V
Black (Plug Pin 3) – Fan Speed (0–10V)
Blue (Plug Pin 4) – Ground
Step 5: Remove Old Socket
Cut off the old socket.
Strip back 25mm of cable jacket.
Cut off the unused pair (White 3 & Black 3).

Step 6: Wire the New Socket
Slide the new socket backshell onto the cable.
Strip 6mm (1/4") of insulation from each wire.
Wire the socket like this:



Step 7: Final Assembly – Securing the New Socket and Cable
Screw the backshell onto the socket firmly so it seals tightly against the rubber O-ring. This helps keep water out.
Screw the backnut onto the shell, making sure the gland inside grips the cable jacket properly. This stops the cable from moving or pulling loose.
Make sure the cable is not pulling or putting pressure on the motor terminals. Use strain relief and check that the glands are tight.
Clean the sealing surfaces of the motor’s terminal box cover, then refit the cover using the four screws. Tighten them to 1.5 ± 0.2 Nm.
Use zip ties to secure the new cable to the motor frame, but don’t pull too tight — avoid putting strain on the cable glands.
Step 8: Test the Motor
Final Safety Check Before Testing
Do not run the exhaust fans unless the fan guard is properly fitted — this is a serious safety risk.
Make sure the exhaust weatherseals are reinstalled before powering up the motors.
To test the motor operation, follow the steps in the cooler’s Installation, Operation, and Maintenance Manual.