Braemar TH and TG Series Zoning Setup & Spectrolink Control Commissioning Guide
Braemar TH Gas Ducted Heating – Zoning and Control Commissioning Guide
Applicable Models: TH3, TH4, TH5
? System Overview
- TH3: No zoning, single Spectrolink Comfort Control (SCC) only.
- TH4/TH5: Zoning supported, up to 4 Spectrolink Comfort Controls (SCCs).
- Evaporative Cooling: Zones inactive.
- Refrigerated Cooling: Zones operate as per heating mode.
? Required Documentation
- Installation & Service Manual
- Home Owner’s Manual
- Zoning Supplement Manual
- Technical Bulletin A06/08 – SCC Product Compatibility & Setup
- AS5601 compliance takes precedence over manual instructions.
? Spectrolink Comfort Control (SCC) Capabilities
- Controls TH3, TH4, TH5 heaters.
- Supports Breezair, Braemar, Coolair SI coolers with CPMD.
- Sends 24Vac control signal to refrigerated cooler relay.
- Adjustable heater fan speed (3–10).
- Allows manual zone control via SCC interface.
- Zones can be turned on/off individually using zone buttons.
- Compatible with:
- Braemar TH & TG series gas ducted heaters
- Braemar heaters with SPI (TE & TA) or MPI (TM & TE) control systems
- Breezair, Braemar & Coolair evaporative coolers with CPMD electronics
- Refrigerated cooling systems (Dual Cycle or fan-only)
⚙️ SCC Mode Configuration (from Bulletin A06/08)
To configure SCC for heater and cooler type:
- Ensure SCC is in HEAT mode and turned OFF.
- Within 15 minutes of power-up:
- Press SET + AC MODE simultaneously.
- Display shows HEAT 3 (default for TH/TG series).
- Use arrows to select:
- HEAT 1 – SPI (TE & TA)
- HEAT 2 – MPI (TM & TE)
- HEAT 3 – BSC (TH/TG series)
- Press SET.
- Display shows COOL 1:
- Leave as COOL 1 for evaporative cooling.
- Change to COOL 2 for refrigerated cooling.
- Press SET to confirm.
⚠️ If powered longer than 15 minutes, disconnect SCC communication cable and discharge the black square capacitor until screen is blank before setup.
? Zoning Configurations
TH3:
- No zoning available.
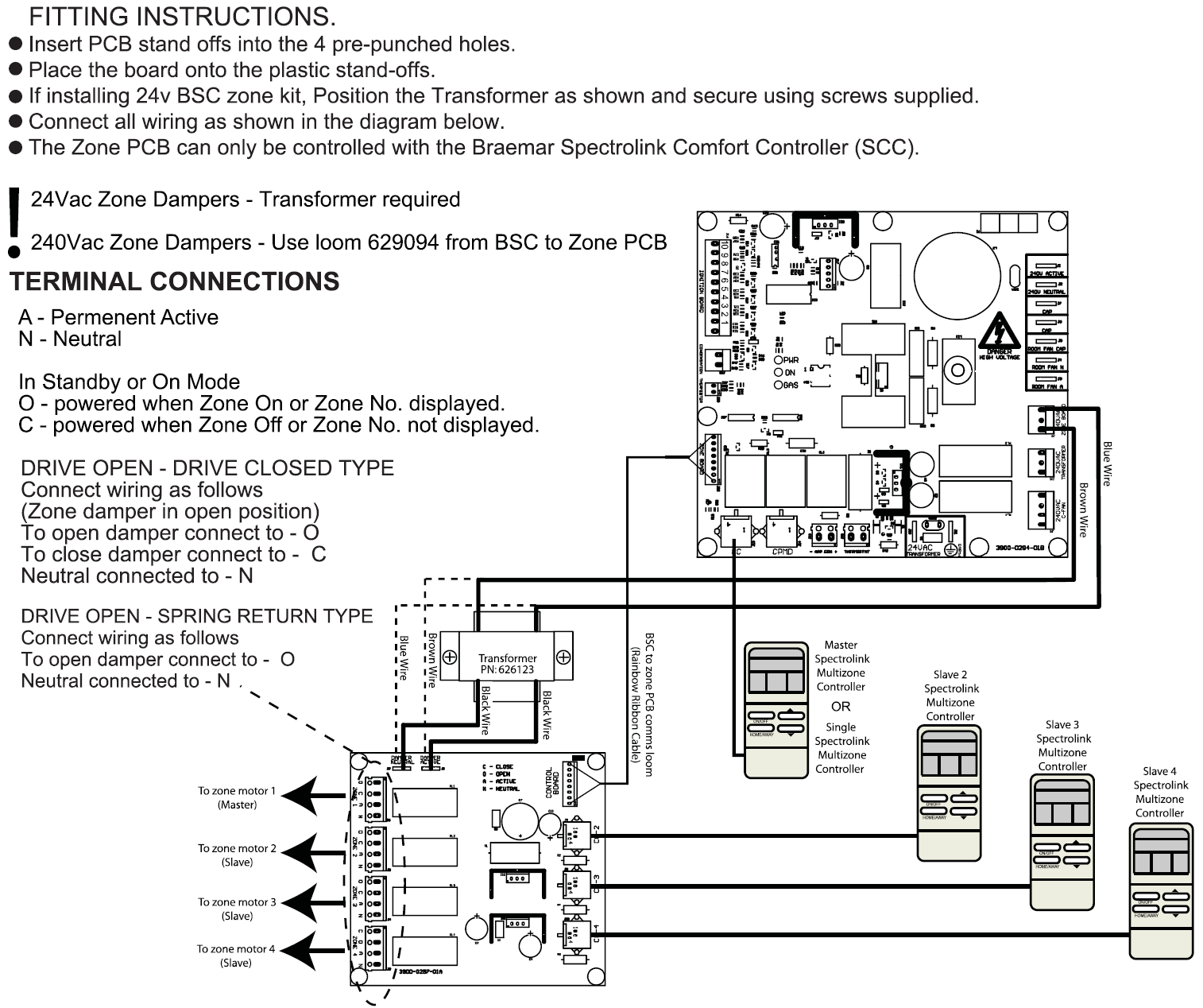
TH4/TH5:
- Single SCC:
- Requires common zone.
- Supports up to 4 additional zones.
- Common zone operates whenever system is active.
- Multi-SCC:
- Each zone has its own SCC.
- Zones operate independently.
- Each SCC must be installed in the zone it controls.
? Outlet Register Guidelines
In-Ceiling:
- 150mm: 55–70 L/s
- 200mm: 85–100 L/s
Underfloor:
- 150mm: 40–50 L/s
- 200mm: 60–70 L/s
⚠️ Avoid exceeding airflow rates to reduce noise and complaints.
⚠️ 200mm outlets not recommended for heating-only systems.
? Thermostat Placement
- Single SCC: Centrally in common zone.
- Multi-SCC: Each SCC in its respective zone.
- Height: ~1.5m from floor.
- Avoid: Direct sunlight, external walls, heat sources, draughts.
? Heating & Cooling Integration
- SCC must be Braemar (not 2-wire thermostat).
- Zones inactive in evaporative mode.
- Zones active in refrigerated mode.
- Refrigerated cooling zones operate same as heating zones.
? System Setup Procedures
Single SCC:
- Max Fan Speed:
- HEAT mode → OFF → SET + FAN → Adjust speed (7–10).
- Enable Zones:
- HEAT mode → OFF → SET + ZONE 1 → Select zones.
- Set Zone Fan Speeds:
- HEAT mode → OFF → FAN + ZONE 1 → Step through zones.
- Manual Zone Control:
- Open SCC door → Press zone button → Zone number disappears (off).
- Press again to turn zone back on.
Multi-SCC:
- Max Fan Speed:
- Set via Master SCC (Zone 1).
- Confirm Zones:
- HEAT mode → OFF → SET + ZONE 1 → Verify SCC communication.
- Set Zone Fan Speeds:
- Same as single SCC, repeated per zone.
- Independent Operation:
- Each SCC can operate independently with its own temperature settings.
Refrigerated Cooling:
- Max fan speed fixed at 10.
- Zone selection and fan speeds follow heating setup.



To view the YouTube video on setting up the Spectrolink SCC system, please follow this link.