H8 Error – High Pressure Sensor Fault (SCHV22B3S / SCHV26B3S)
Error Description
• Code: H8
• Meaning: High pressure sensor error
• Trigger Condition: Discharge pressure ≤ 0.3 MPa (300 kPa / 43.5 PSI)
• Display Location: Outdoor unit controller (DSP2)
Note: Although this is labeled as a high-pressure sensor fault, the error is triggered when the sensor detects abnormally low discharge pressure. This may indicate a sensor fault, but can also be caused by low refrigerant charge, a blockage, or other issues reducing discharge pressure
________________________________________
Affected Models
• Indoor Units: SDHV22B1S, SDHV26B1S
• Outdoor Units: SCHV22B3S, SCHV26B3S
• Controller: XK75 / KJR-29B1/BK-E (Wired)
Probable Causes
Sensor & Electrical
• Faulty high-pressure sensor
• Loose or corroded sensor wiring
• PCB fault affecting sensor signal processing
Refrigerant Circuit
• Low refrigerant charge: May cause low discharge pressure
• Overcharge: Can cause pressure spikes and sensor misreadings
• Blocked condenser coil: Reduces heat rejection, increases pressure
• Restricted refrigerant flow: Due to kinked pipes, clogged filter drier, or faulty expansion valve
• Non-condensable gases: Air or moisture in the system can affect pressure readings
Simple Checks:
• Inspect condenser coil for dirt or debris; clean if needed
• Check refrigerant charge using gauges
Note: For accurate diagnosis and to confirm the refrigerant charge is correct, it is recommended to weigh the charge out and back in.
• Look for signs of oil staining or leaks around joints
• Verify pipework for kinks or crushed sections
• Ensure EXV is operating correctly (listen for actuation or check via controller diagnostics)
Troubleshooting Flow
Step 1: Visual Inspection
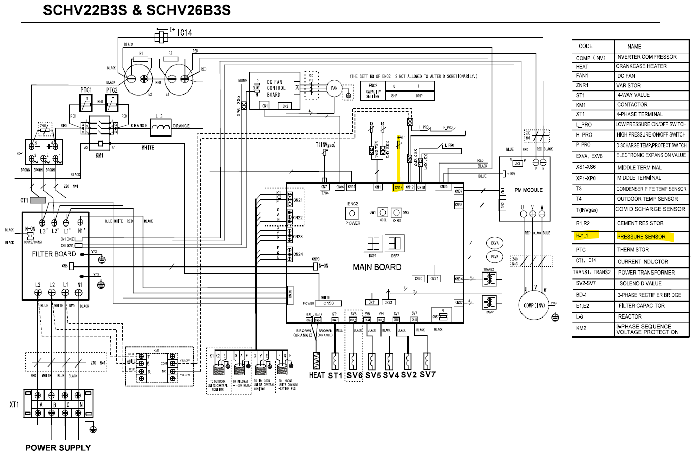
Locating the High-Pressure Sensor:
• Found on the discharge line of the compressor in the outdoor unit
• Typically mounted near the compressor outlet or on the refrigerant manifold
• Look for a small cylindrical sensor with a 2–3 wire connector leading to the PCB
Inspection Tasks:
• Check for physical damage or corrosion
• Ensure sensor is securely mounted
• Inspect wiring harness and connector for loose pins or moisture ingress
Step 2: Pressure Verification
• Connect gauges to verify actual discharge pressure
• If pressure is normal (>0.3 MPa / 300 kPa / 43.5 PSI), sensor may be faulty
Step 3: Electrical Testing
Voltage Test:
• Sensor output should be between 0.5V and 4.5V DC
• Normal pressure: 2.0V to 3.0V DC
• Low pressure: < 0.5V may trigger H8
How to Test:
• Use multimeter set to DC voltage
• Measure between sensor signal wire and ground
• If voltage is outside expected range or unstable, sensor may be faulty
Basic Ohms Test:
• Disconnect sensor from PCB – CN17 (H-YL1)
• Measure resistance across terminals
• A reading of 0 ohms or infinite resistance may indicate a fault
Note: This is a basic check and not conclusive for electronic sensors
Step 4: PCB Diagnosis
• If sensor and wiring are OK, check PCB for fault
• Replace PCB if sensor signal is not being processed correctly
Reset Procedure
• Power off the system for 5 minutes
• Restore power and monitor for recurrence
• If H8 reappears, proceed with full diagnostic steps
Service Notes
• H8 may trigger protection shutdown if not resolved
• Ensure refrigerant charge is correct and system is not overcharged
• Clean condenser coil to ensure proper heat rejection

