RPA, RPB, RPC 3-Phase (Δ) and Single-Phase (Φ) 2-Speed Commercial Wiring - Current and Historical Diagrams
The wiring diagrams listed below are intended as a guide only for suitably licensed electrical workers. Seeley International is committed to continuous improvement, and as such, specifications are subject to change without notice.
Important:
It is the responsibility of the on-site electrician to ensure the wiring diagram is applicable and suitable for the specific product they are working on. Always verify the wiring diagram against the actual unit to confirm its accuracy.
Note: Carefully read the notes in the title of the wiring diagram to assist in determining its suitability.
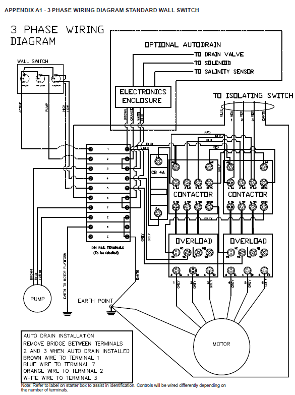
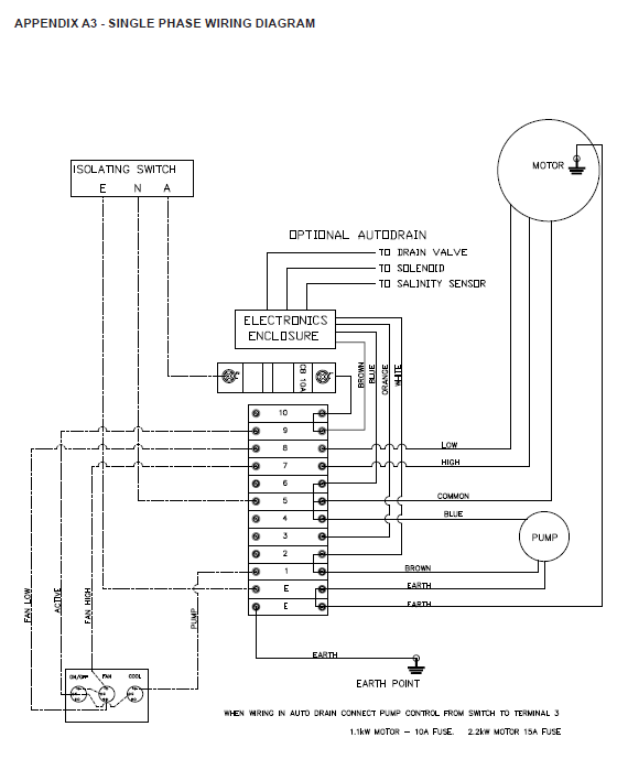
RPA OR Wiring diagrams - AM014-E and RPB Wiring diagrams AM013-D



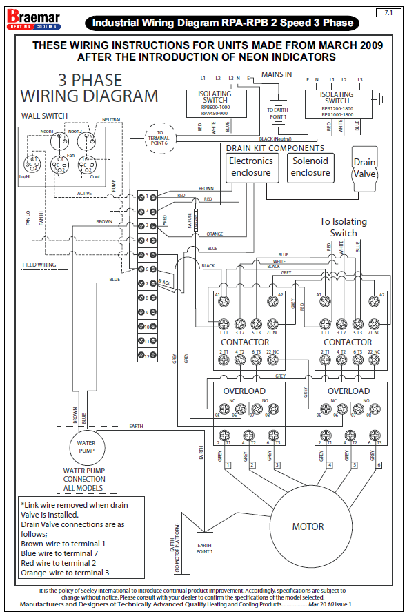
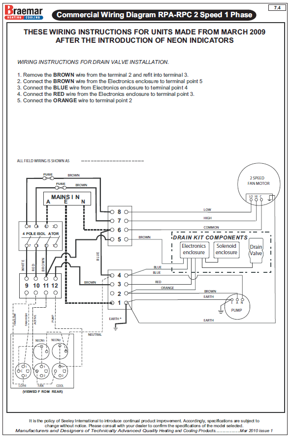
Historic Wiring Diagrams
The wiring diagrams listed below are intended as a guide only for suitably licensed electrical workers. Seeley International is committed to continuous improvement, and as such, specifications are subject to change without notice.
Important:
It is the responsibility of the on-site electrician to ensure the wiring diagram is applicable and suitable for the specific product they are working on. Always verify the wiring diagram against the actual unit to confirm its accuracy.
Note: Carefully read the notes in the title of the wiring diagram to assist in determining its suitability.






